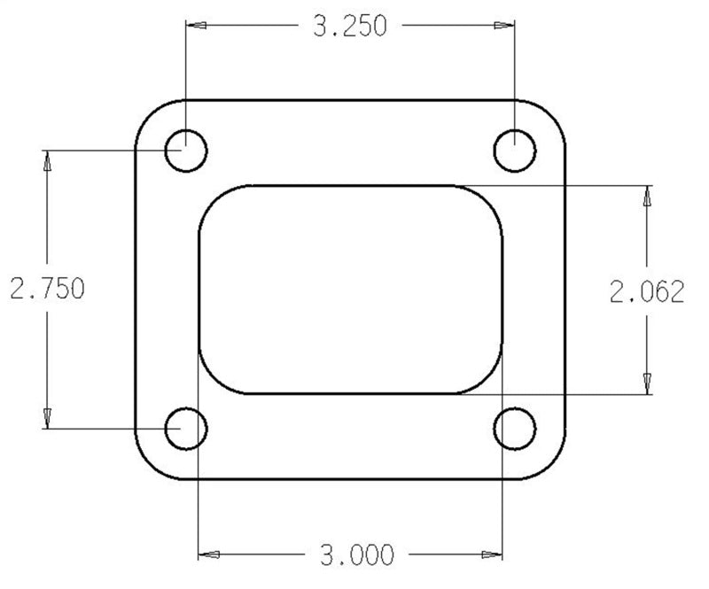
Description
Materials, manufacturing processes and gasket designs are constantly improving to match the higher level of performance for todays powerful engines. When purchasing a Cometic gasket kit, you can rest assured that every component will be the best solution for your application. Cometic Gasket Kits include every gasket, seal, washer, and o-ring needed for a complete overhaul (unless otherwise noted). Does not include head gasket.







